Poulan Pro Pp4218 Parts . Poulan Pro PP4218 Chainsaw Parts List Shop OEM replacement parts by symptoms or model diagrams for your Poulan PP4218AV Gas Saw 4218AV-POULAN Pro (Type 1)! PP4218A Carburetor for Poulan Pro P3314 P3416 PP4218 PP4218AVX PP4018 PP3516AVX PP 3816 Chainsaw Parts Replace 545070601 with 530057925 Tune-up Kit Zama C1M-W26 C1M-W26A C1M-W26B C1M-W26C W-26B W26BAmazon.com: poulan pro pp4218avx parts
Poulan PP4218 Gas Saw Type 1, 4218Poulan Pro Parts Diagrams atelier from atelier-yuwa.ciao.jp
Parts lookup and repair parts diagrams for outdoor equipment like Toro mowers, Cub Cadet tractors, Husqvarna chainsaws, Echo trimmers, Briggs engines, etc. Shop OEM replacement parts by symptoms or model diagrams for your Poulan PP4218AV Gas Saw 4218AV-POULAN Pro (Type 1)!
Poulan PP4218 Gas Saw Type 1, 4218Poulan Pro Parts Diagrams atelier Shop OEM replacement parts by symptoms or model diagrams for your Poulan PP4218AV Gas Saw 4218AV-POULAN Pro (Type 1)! Need to fix your Poulan Pro Chainsaw PP4218/TYPE 2? Use our PP4218/TYPE 2 Parts, diagrams, manuals, and videos to make your repair easy. Shop OEM replacement parts by symptoms or model diagrams for your Poulan PP4218AV Gas Saw 4218AV-POULAN Pro (Type 1)!
Source: poulancarburetor.com Kizut RB129 Carburetor Rebuild Kit Assembly for Poulan Pro P3314 , Parts lookup and repair parts diagrams for outdoor equipment like Toro mowers, Cub Cadet tractors, Husqvarna chainsaws, Echo trimmers, Briggs engines, etc. Find Poulan PP4218 (Type 2) Parts By Symptom Choose a symptom to view parts that fix it.
Source: www.ebay.de Poulan Pro PP4218A 18 Inch 42CC 2 Cycle Gas Chainsaw (Certified , Find Poulan PP4218 (Type 2) Parts By Symptom Choose a symptom to view parts that fix it. Poulan PP4218A gas chainsaw parts - manufacturer-approved parts for a proper fit every time! We also have installation guides, diagrams and manuals to help you along the way!
Source: www.jackssmallengines.com Poulan PP4218 Gas Saw Type 1, 4218Poulan Pro Parts Diagram for Engine , PP4218A Carburetor for Poulan Pro P3314 P3416 PP4218 PP4218AVX PP4018 PP3516AVX PP 3816 Chainsaw Parts Replace 545070601 with 530057925 Tune-up Kit Zama C1M-W26 C1M-W26A C1M-W26B C1M-W26C W-26B W26BAmazon.com: poulan pro pp4218avx parts Need to fix your Poulan Pro Chainsaw PP4218/TYPE 2? Use our PP4218/TYPE 2 Parts, diagrams, manuals, and videos to make your repair easy.
Source: www.ebay.com POULAN PRO CLASSIC PP4218 AV CHAINSAW carburetor PART W26A eBay , Shop OEM replacement parts by symptoms or model diagrams for your Poulan PP4218AV Gas Saw 4218AV-POULAN Pro (Type 1)! Parts lookup and repair parts diagrams for outdoor equipment like Toro mowers, Cub Cadet tractors, Husqvarna chainsaws, Echo trimmers, Briggs engines, etc.
Source: lcegrouppam.pages.dev Poulan Pro Pp4218 Parts Diagram , Poulan PP4218 Gas Saw Type 1, 4218-Poulan Pro Exploded View parts lookup by model PP4218A Carburetor for Poulan Pro P3314 P3416 PP4218 PP4218AVX PP4018 PP3516AVX PP 3816 Chainsaw Parts Replace 545070601 with 530057925 Tune-up Kit Zama C1M-W26 C1M-W26A C1M-W26B C1M-W26C W-26B W26BAmazon.com: poulan pro pp4218avx parts
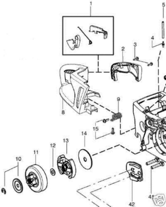
Source: needmanual.com Poulan Pro PP4218AVX Chainsaw Parts List , Complete exploded views of all the major manufacturers Poulan PP4218AVX Gas Saw, 4218AVX - Poulan Pro Exploded View parts lookup by model
Source: www.ebay.com Gas Fuel Cap Poulan PP4218 42cc 18" Chainsaw OEM Replacement Part A23 , Parts lookup and repair parts diagrams for outdoor equipment like Toro mowers, Cub Cadet tractors, Husqvarna chainsaws, Echo trimmers, Briggs engines, etc. Poulan PP4218A gas chainsaw parts - manufacturer-approved parts for a proper fit every time! We also have installation guides, diagrams and manuals to help you along the way!
Source: www.ebay.com Poulan pro PP4218 Predator chainsaw for parts NOT WORKING. eBay , Find Poulan PP4218 (Type 2) Parts By Symptom Choose a symptom to view parts that fix it. PP4218A Carburetor for Poulan Pro P3314 P3416 PP4218 PP4218AVX PP4018 PP3516AVX PP 3816 Chainsaw Parts Replace 545070601 with 530057925 Tune-up Kit Zama C1M-W26 C1M-W26A C1M-W26B C1M-W26C W-26B W26BAmazon.com: poulan pro pp4218avx parts
Source: www.bonanza.com CLUTCH 530057907 Craftsman POULAN PRO PP4218 & MORE Chainsaw Parts , Shop OEM replacement parts using model diagrams for your Poulan Pro PP4218 Gas Saw Type 1, 4218-Poulan Pro! Poulan PP4218AVX Gas Saw, 4218AVX - Poulan Pro Exploded View parts lookup by model
Source: www.youtube.com poulan pro pp4218 throttle cable YouTube , Poulan PP4218 Gas Saw Type 1, 4218-Poulan Pro Exploded View parts lookup by model Need to fix your Poulan Pro Chainsaw PP4218/TYPE 2? Use our PP4218/TYPE 2 Parts, diagrams, manuals, and videos to make your repair easy.
Source: www.youtube.com poulan pro pp4218 18" chainsaw rebuild (pt 1 disassembly) YouTube , Poulan PP4218A gas chainsaw parts - manufacturer-approved parts for a proper fit every time! We also have installation guides, diagrams and manuals to help you along the way! PP4218A Carburetor for Poulan Pro P3314 P3416 PP4218 PP4218AVX PP4018 PP3516AVX PP 3816 Chainsaw Parts Replace 545070601 with 530057925 Tune-up Kit Zama C1M-W26 C1M-W26A C1M-W26B C1M-W26C W-26B W26BAmazon.com: poulan pro pp4218avx parts
Source: v9306.1blu.de Poulan PP4218 Gas Saw Type 1, 4218Poulan Pro Parts , Shop OEM replacement parts by symptoms or model diagrams for your Poulan PP4218AV Gas Saw 4218AV-POULAN Pro (Type 1)! Shop OEM replacement parts using model diagrams for your Poulan Pro PP4218 Gas Saw Type 1, 4218-Poulan Pro!
Source: www.youtube.com Poulan Pro PP4218A 18" Chain Saw Fuel Line replacement / Fuel line , Shop OEM replacement parts by symptoms or model diagrams for your Poulan PP4218AV Gas Saw 4218AV-POULAN Pro (Type 1)! PP4218A Carburetor for Poulan Pro P3314 P3416 PP4218 PP4218AVX PP4018 PP3516AVX PP 3816 Chainsaw Parts Replace 545070601 with 530057925 Tune-up Kit Zama C1M-W26 C1M-W26A C1M-W26B C1M-W26C W-26B W26BAmazon.com: poulan pro pp4218avx parts
Source: www.amazon.com Huztl PP4218A Carburetor for Poulan Pro PP4218 PP4218AVX , Parts lookup and repair parts diagrams for outdoor equipment like Toro mowers, Cub Cadet tractors, Husqvarna chainsaws, Echo trimmers, Briggs engines, etc. Shop OEM replacement parts by symptoms or model diagrams for your Poulan PP4218AV Gas Saw 4218AV-POULAN Pro (Type 1)!
Source: fetchllcltk.pages.dev Poulan Pro Pp4218 Parts Diagram , Poulan PP4218AVX Gas Saw, 4218AVX - Poulan Pro Exploded View parts lookup by model Shop OEM replacement parts by symptoms or model diagrams for your Poulan PP4218AV Gas Saw 4218AV-POULAN Pro (Type 1)!
POULAN PRO CLASSIC PP4218 AV CHAINSAW carburetor PART W26A eBay . Poulan PP4218 (2012-01) Exploded View parts lookup by model Poulan PP4218A gas chainsaw parts - manufacturer-approved parts for a proper fit every time! We also have installation guides, diagrams and manuals to help you along the way!
Poulan Pro Pp4218 Parts Diagram . Poulan PP4218 Gas Saw Type 1, 4218-Poulan Pro Exploded View parts lookup by model Shop OEM replacement parts using model diagrams for your Poulan Pro PP4218 Gas Saw Type 1, 4218-Poulan Pro!